Email:info@htpipe.com

news

PRODUCT

Special Products
BW Pipe Fittings
Forged Pipe Fittings
Steel Pipe Tube
Flanges
Fasteners
Steel Sheet Plate
Round Bar
Welding Wire Electrodes
Prefabrication Pipe Spools

news

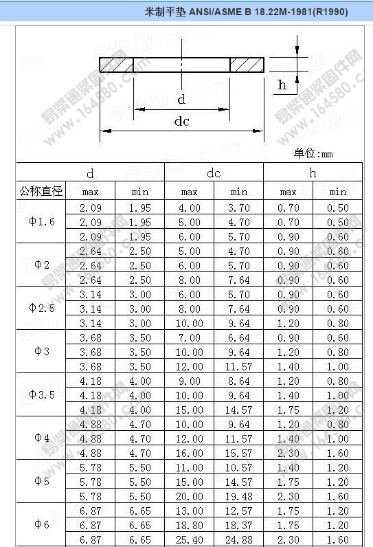
ASME B18.22M

share with
 ASME B18.22M